• J14H系列矩形电连接器 插头/插座
    ❤ Add to collection
  • J14H系列矩形电连接器 插头/插座

    • ¥***(Login to view)
      ¥***(Login to view)
      ¥0.00
    • Satisfaction:

      Sales: 0

      Review: 0

    Weight:0.000KG
    • Quantity:
    • (Inventory: 150)
Description

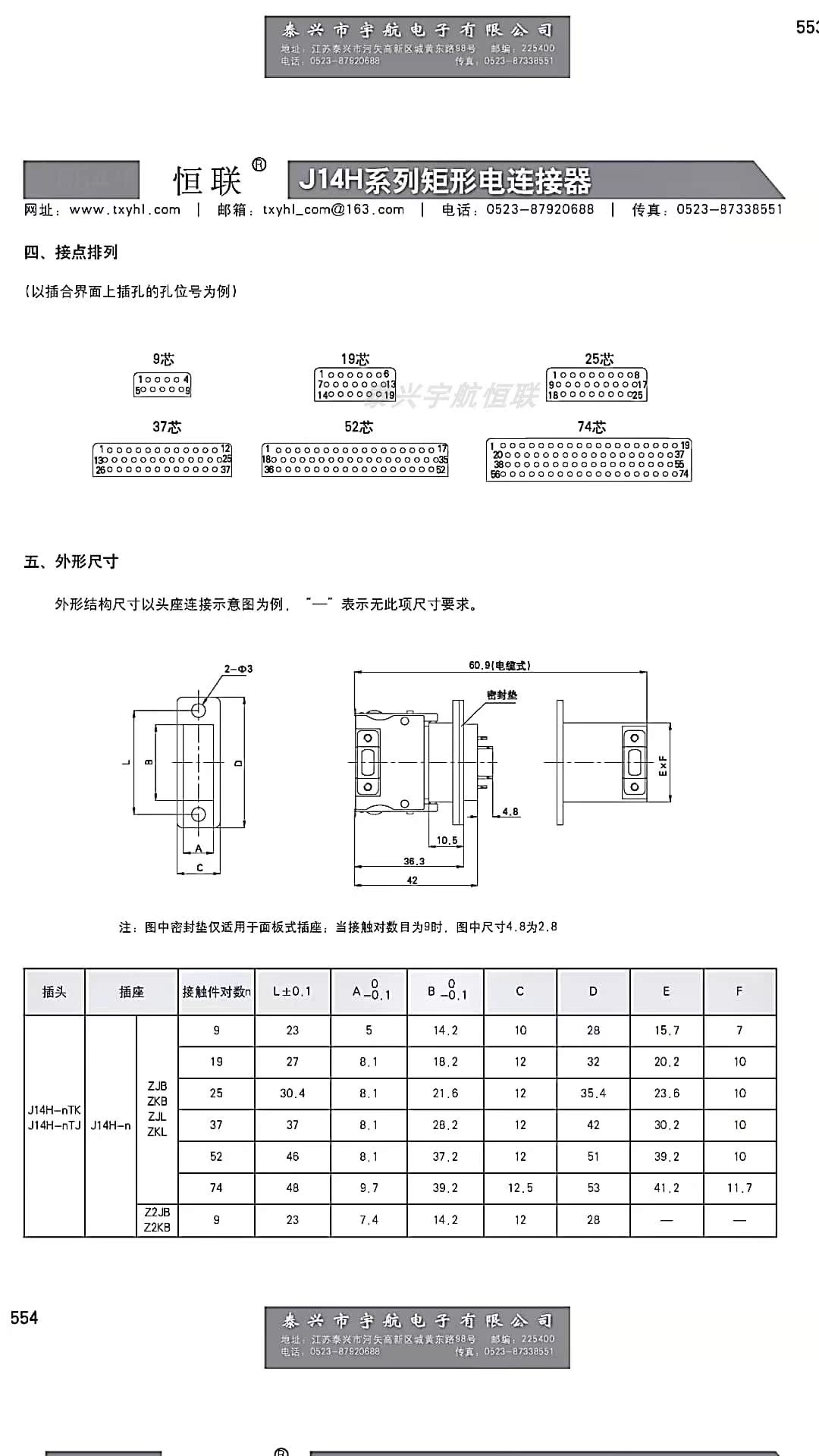
产品型号:J14H系列矩形电连接器

 

商品为定制产品,价格随规格、型号、芯数变动;其他规格型号需求,指定芯数,特 殊产品定做等,拍下前请联系客服是否有货,更改价格,望亲慎重选择哦!

  • User name Member Level Quantity Specification Purchase Date
  • Satisfaction :
No evaluation information