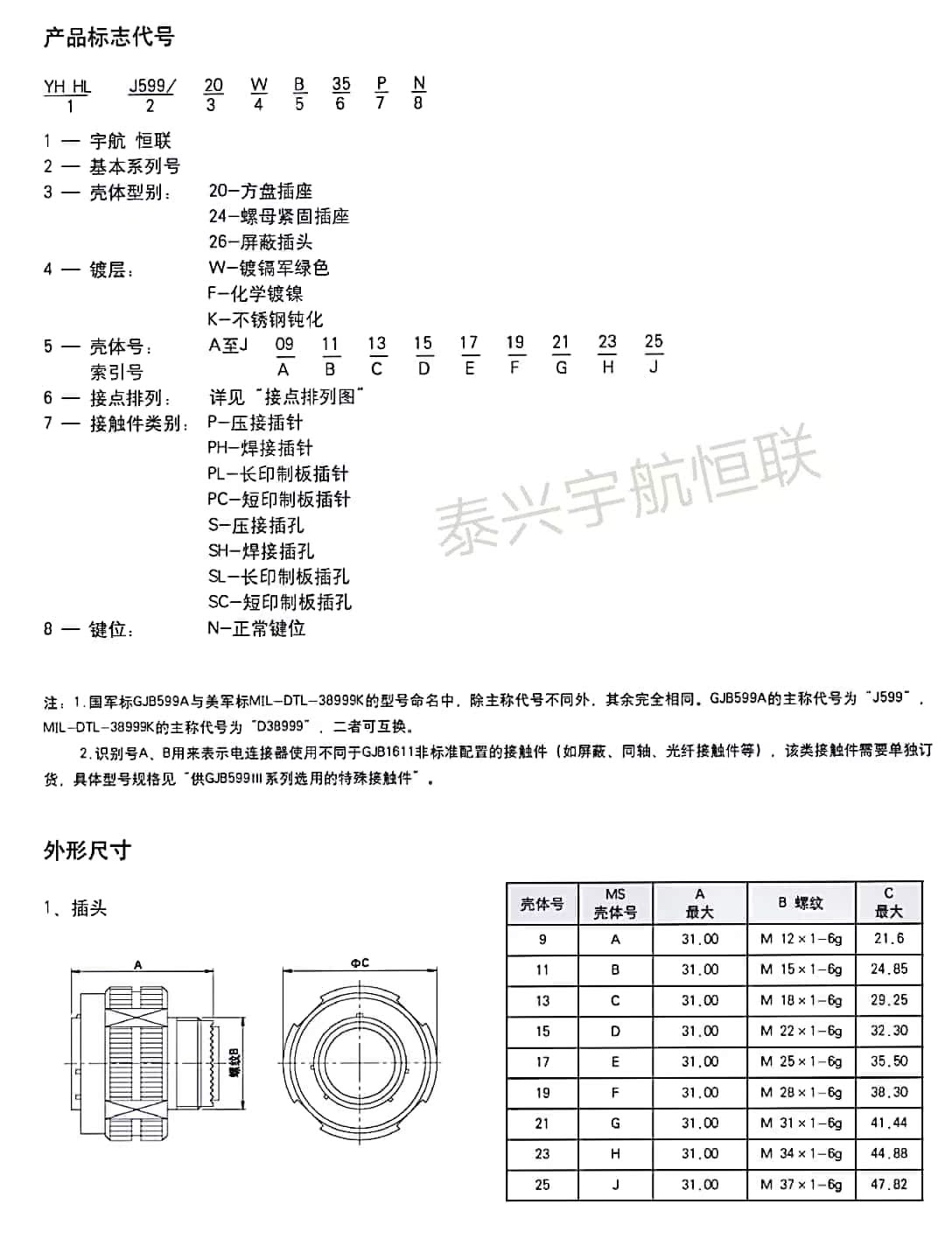
产品型号:GJB599系列III
* 符合GJB599A(MIL-DTL-38999K)Ⅲ系列
* 三头螺纹快速连接,并带防松脱机构
* 体积小,重量轻,接触偶密度高
* 具有电磁屏蔽功能
* 接触件压接可取卸,插针防斜插
* 12#、 16#接触件规格的孔位可装配光纤接触件
* 12#、 10#、 8#接触件规格的孔位可装配同轴、屏蔽接触件
* 具有防火壳体、复合材料壳体、铝合金壳体和多种镀层
* 具有高温下的高强度振动特性,能适合在恶劣的风砂和潮湿的场合下使用
商品为定制产品,价格随规格、型号、芯数变动;其他规格型号需求,指定芯数,特殊产品定做等,拍下前请联系客服是否有货,更改价格,望亲慎重选择哦!
















Contact Us
Tongsheng Conector Limited
Welcome toTongsheng, China's reliable connector technology solution provider. We specialize in independent research and development, sales, and service, offering a wide range of innovative connectors for various industries. With a team of highly experienced and tech-savvy professionals, we have earned certifications as a high-tech enterprise and ISO9001 quality management system.